Характеристики
Бренд
Benarmo
Страна производства
Китай
Тип
фланцевое
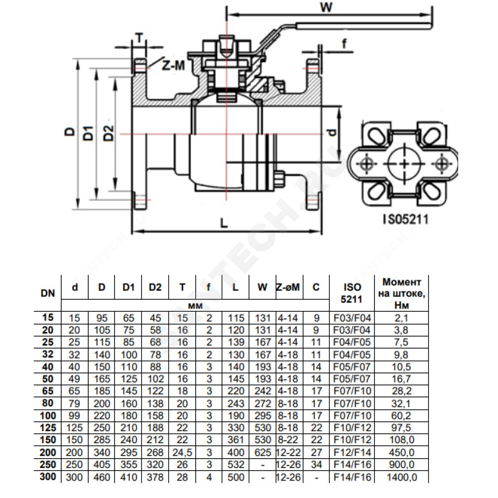
Диаметр
Ду 20
Материал
нерж SS316
Инженерная система
Тепловые пункты, Водоснабжение, Отопление, Пожаротушение
Тип присоединения
фланцевое
Масса нетто
2.9 кг
Модель
4120RA
Название
Кран
Температура рабочей среды
от -20 до +180 oC
Описание
Внешний вид изделия и количество присоединительных отверстий зависит от Ду, Pу и может отличаться от представленного на фото
Тип затвора
под электропривод с рукояткой
Тип прохода
полнопроходной
Класс герметичности затвора
класс А по ГОСТ 9544-2015
Корпус
CF8M
Рабочие среды
вода
Максимальное рабочее давление, бар
Ру40
Материал уплотнений шпинделя
PTFE
Уплотнение шара
PTFE
Фланцы
EN 1092-2
Присоединение электропривода
ISO F03/F04
Размер штока
9х9
Необходимый крутящий момент
3,8Н*м
Отзывы
Отзывов еще никто не оставлял
Выбрать
