Характеристики
Бренд
No name
Страна производства
Беларусь
Тип
концентрический
Материал
сталь
Покрытие
без покрытия
Инженерная система
Водоснабжение, Отопление, Тепловые пункты, Пожаротушение
Масса нетто
11.55 кг
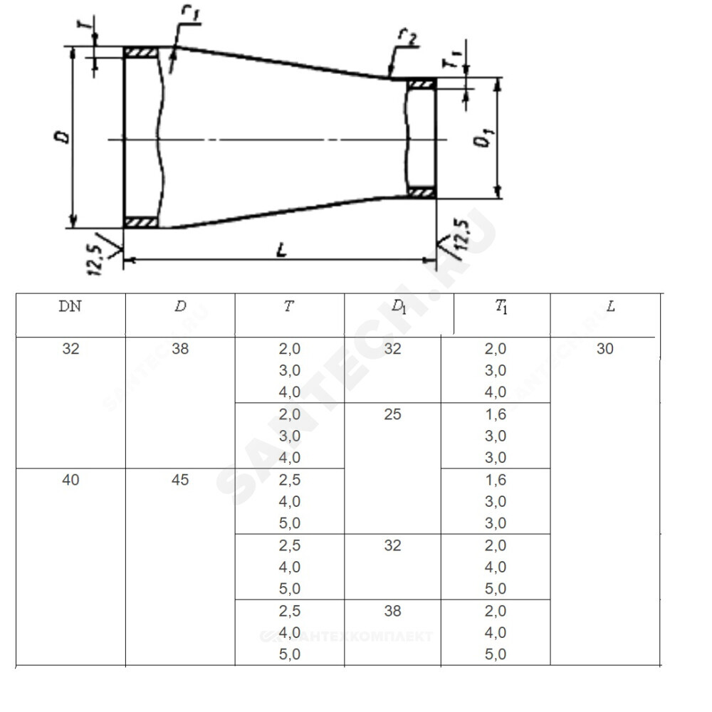
Диаметр условный, мм
350
Название
Переход
Температура рабочей среды
от -70 до +450 oC
Область применения
Бесшовная приварная деталь для ответственных трубопроводов
Гарантия производителя
5 лет
Исполнение
исполнение 2
Описание
Допускается присутствие на товаре незначительного налета коррозии, не оказывающей влияния на эксплуатационные свойства товара, что не противоречит требованиям ГОСТ
Диаметр условный переходной, мм
250
Диаметр наружный, мм
377
Толщина стенки, мм
9
Диаметр наружный переходной, мм
273
Толщина стенки меньшего диаметра, мм
7
Отзывы
Отзывов еще никто не оставлял
Выбрать
