Характеристики
Бренд
No name
Страна производства
Беларусь
Тип
концентрический
Материал
сталь
Покрытие
без покрытия
Инженерная система
Водоснабжение, Отопление, Тепловые пункты, Пожаротушение
Масса нетто
21.6667 кг
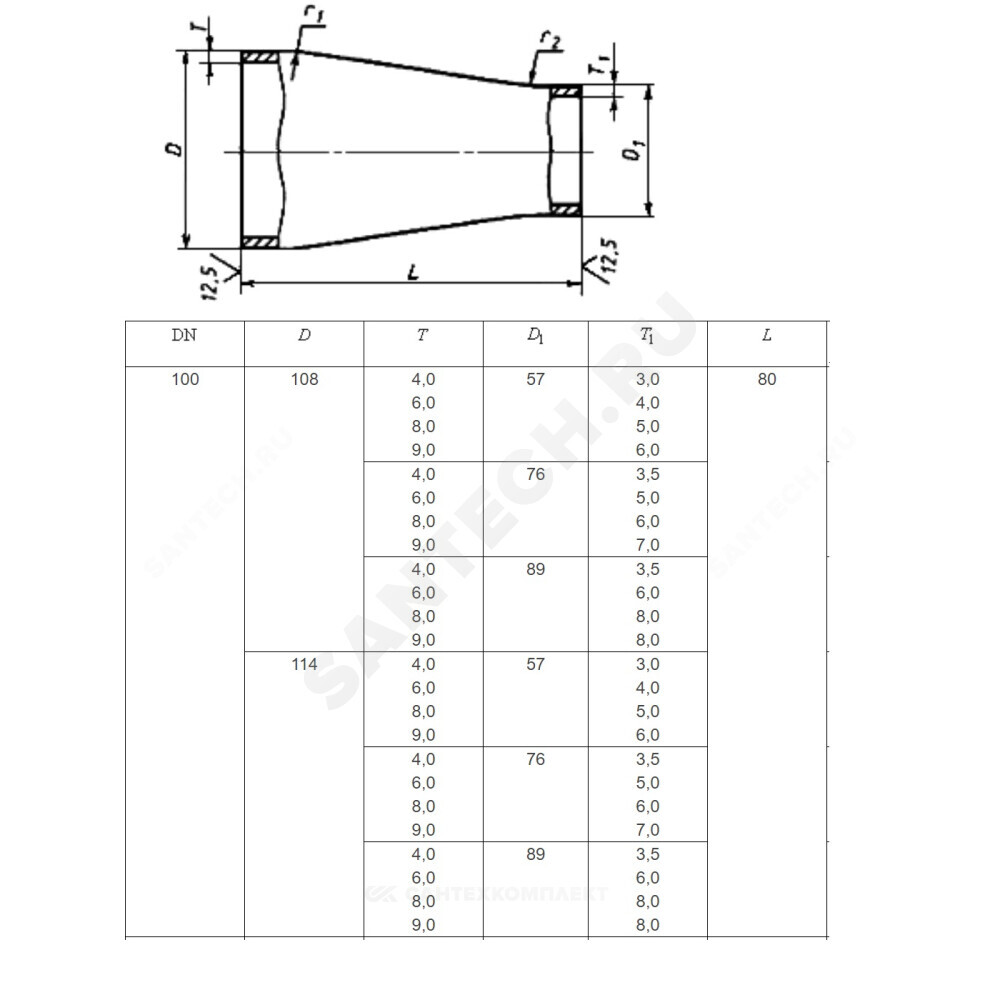
Диаметр условный, мм
400
Название
Переход
Температура рабочей среды
от -70 до +450 oC
Область применения
Бесшовная приварная деталь для ответственных трубопроводов
Гарантия производителя
5 лет
Исполнение
исполнение 2
Описание
Допускается присутствие на товаре незначительного налета коррозии, не оказывающей влияния на эксплуатационные свойства товара, что не противоречит требованиям ГОСТ
Диаметр условный переходной, мм
350
Диаметр наружный, мм
426
Толщина стенки, мм
10
Диаметр наружный переходной, мм
377
Толщина стенки меньшего диаметра, мм
10
Строительная длина, мм
220
Отзывы
Отзывов еще никто не оставлял
Выбрать
