Характеристики
Бренд
No name
Страна производства
Беларусь
Тип
концентрический
Материал
сталь
Покрытие
без покрытия
Инженерная система
Водоснабжение, Отопление, Тепловые пункты, Пожаротушение
Масса нетто
0.653 кг
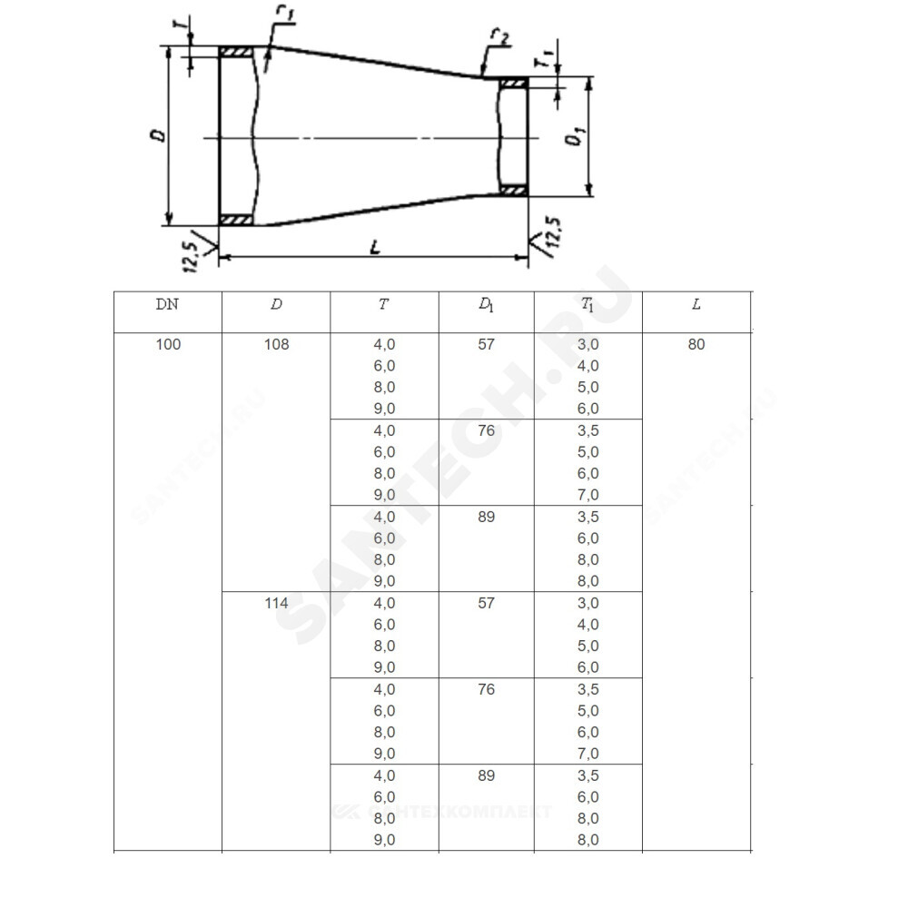
Диаметр условный, мм
80
Название
Переход
Температура рабочей среды
от -70 до +450 oC
Область применения
Бесшовная приварная деталь для ответственных трубопроводов
Гарантия производителя
5 лет
Исполнение
исполнение 2
Описание
Допускается присутствие на товаре незначительного налета коррозии, не оказывающей влияния на эксплуатационные свойства товара, что не противоречит требованиям ГОСТ
Диаметр условный переходной, мм
40
Диаметр наружный, мм
89
Толщина стенки, мм
3.5
Диаметр наружный переходной, мм
45
Толщина стенки меньшего диаметра, мм
2.5
Строительная длина, мм
75
Отзывы
Отзывов еще никто не оставлял
Выбрать
