Характеристики
Бренд
No name
Страна производства
Россия
Назначение
Общепромышленное применение.
Тип
горячекатаный
Материал
сталь
Масса нетто
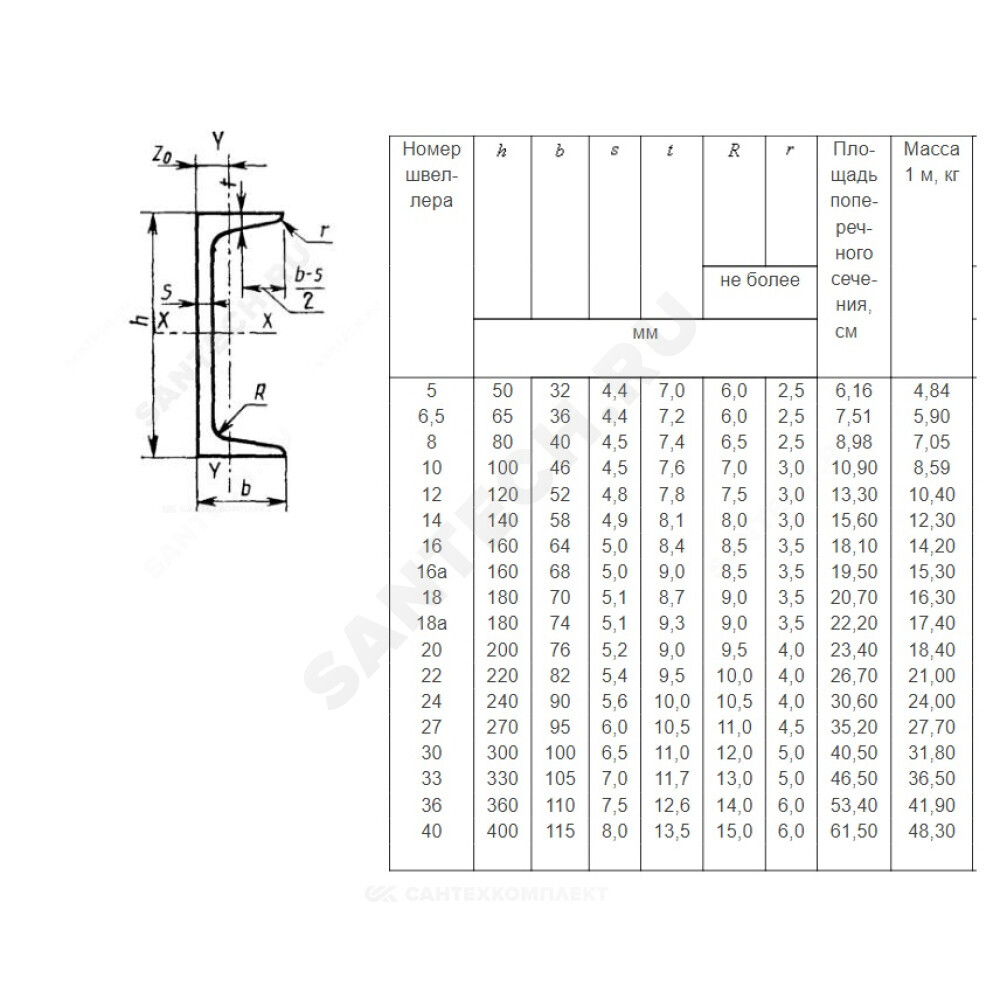
7.05 кг
Название
Швеллер
Область применения
Общепромышленное применение
Описание
Допускается присутствие на товаре незначительного налета коррозии, не оказывающей влияния на эксплуатационные свойства товара
Комплект поставки
Метр/тонна
Условие производства
ГОСТ 8240-97
Примечание
Профили немерной длины
Ширина,мм
40
Высота,мм
80
Толщина профиля,мм
4.5
Серия швеллера
П
Номер швеллера
№8
Отзывы
Отзывов еще никто не оставлял
Выбрать
